• Contact

    SUPPORT+31 (0)85 - 066 12 58

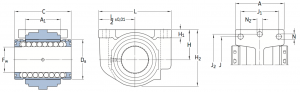
CAD afbeelding LUCD D lagereenheid

CAD afbeelding LUCD D lagereenheid

CAD afbeelding LUCD D lagereenheid