SUPPORT+31 (0)85 - 066 12 58
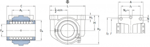
Home SKF lineair lagereenheid LUCE D CAD afbeelding LUCE D lagereenheid
CAD afbeelding LUCE D lagereenheid